CXMD3245
ÿ 双通道内置功率 MOS 全桥驱动
ÿ 驱动前进、后退、停止及刹车功能
ÿ 超低的待机电流和工作电流
ÿ 低导通电阻(1.0Ω)
ÿ 宽电压工作范围
-
[ CXMD3245 ]
目录
7.相关产品
产品概述 返回TOP
产品特点 返回TOP
ÿ 双通道内置功率 MOS 全桥驱动
ÿ 驱动前进、后退、停止及刹车功能
ÿ 超低的待机电流和工作电流
ÿ 低导通电阻(1.0Ω)
ÿ 宽电压工作范围
ÿ 采用 SOP-16 封装形式
应用范围 返回TOP
ÿ 玩具马达驱动
技术规格书(产品PDF) 返回TOP
需要详细的PDF规格书请扫一扫微信联系我们,还可以获得免费样品以及技术支持!

产品封装图 返回TOP

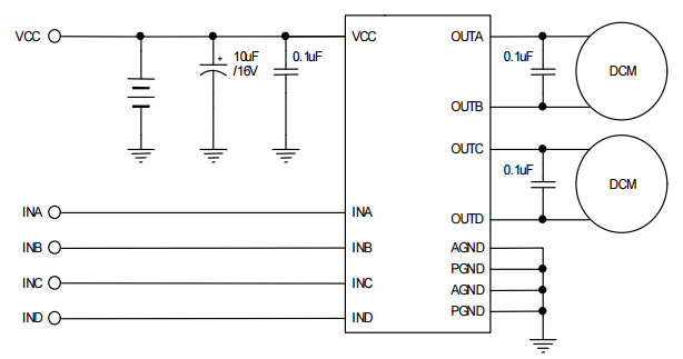
电路原理图 返回TOP

相关芯片选择指南 返回TOP 更多同类产品......
| 马达正反转驱动IC | ||||||
| 型号 | 工作电压 | 静态电流 | 驱动电流 | 饱和压降 | 工作温度 | 封装 |
| CXMD3233 | 2.5V-12V | 1uA | 0.8A | 1V | -20到85度 | SOP-8 |
| CXMD3234 | 2.2V-5.5V | 10uA | 1.2A | 0.6V | -20到85度 | SOP-8 |
| CXMD3235 | 2.2V-5.5V | 10uA | 1.8A | 1.5V | -20到85度 | SOP-8 |
| CXMD3237 | 1.2V-6.5V | 5uA | 2.2-2.5A | 0.3V | 0到70度 | SOP-8 |
| CXMD3238 | 1.2V-6.5V | 5uA | 2.5-3.5A | 0.3V | 0到70度 | ESOP8 |
| CXMD3239 | 3V-12V | 1uA | 0.8A | 1V | -25到125度 | SOP-8 |
| CXMD3240 | 3.0V-11V | 4.7mA | 2.0-4.0A | -25到85度 | SOP-8 | |
| CXMD3241 | 3.0V-15V | 4.7mA | 3.0-4.2A | -25到85度 | SOP-8 | |
| CXMD3242 | 3.0V-14V | 4.7mA | 5.0-7.0A | -25到85度 | DIP-8 | |
| CXMD3243 | 2V-10V | 180uA | 1.2A | 0.76V | -20到85度 | SOP-8 |
| CXMD3244 | 2V-10V | 190uA | 1.8A | 0.69V | -20到85度 | DIP-8 |
| CXMD3245 | 2.2V-5.5V | 180uA | 1.3A/2通道 | 0.76V | -20到85度 | SOP-16 |
| CXMD3246 | 2.2V-5.5V | 190uA | 1.8A/2通道 | 0.69V | -20到85度 | SOP-16 |
◀ 上一篇:CXMD3244采用N沟和P沟功率MOSFET设计的H桥驱动电路适合驱动有刷直流马达或驱动步进马达绕组持续输出电流1.8A峰值3.5A内置防共态导通电路低导通内阻的功率MOSFET管
下一篇▶:CXMD3246双通道内置功率MOS全桥驱动驱动前进后退停止及刹车功能超低的待机电流和工作电流低导通电阻1.0Ω每通道连续输出电流1.8A峰值2.5A
| 推荐信息 |
|---|
[/e:loop] |
| 头条信息 |
|---|




