CXAC85111P是应用于离线式小功率AC/DC开关电源的高性能原边反馈控制功率开关芯片,在全电压输入范围内实现高精度恒压/恒流输出,精度均小于±3%,并可使系统节省光耦和TL431等元件,降低成本。 芯片内部集成了高压功率开关、逐周期峰值电流限制、HVDD过压保护、HVDD欠压保护、HVDD电压钳位等完善的保护功能,以提高系统的可靠性
宽电压85Vac~265Vac输入
待机功耗小于 120mW@220Vac
集成高压启动电路
集成高压功率开关
全电压范围内,恒压精度小于±3%,恒流精度小于±3%
原边反馈控制技术可使系统节省光耦、431 等元件
内置原边绕组感量补偿
内置输出线压降补偿
内置前沿消隐电路(LEB)
逐周期峰值电流比较
内置HVDD欠压保护、HVDD过压保护及HVDD电压嵌位等功能

-
[ CXAC85111P ]
目录
1.产品概述 2.产品特点 3.应用范围 4.技术规格书下载(PDF文档)
一.产品概述
CXAC85111P是应用于离线式小功率AC/DC开关电源的高性能原边反馈控制功率开关芯片,在全电压输入范围内实现高精度恒压/恒流输出,精度均小于±3%,并可使系统节省光耦和TL431等元件,降低成本。 芯片内部集成了高压功率开关、逐周期峰值电流限制、HVDD过压保护、HVDD欠压保护、HVDD电压钳位等完善的保护功能,以提高系统的可靠性。
二.产品特点
宽电压85Vac~265Vac输入
待机功耗小于 120mW@220Vac
集成高压启动电路
集成高压功率开关
全电压范围内,恒压精度小于±3%,恒流精度小于±3%
原边反馈控制技术可使系统节省光耦、431 等元件
内置原边绕组感量补偿
内置输出线压降补偿
内置前沿消隐电路(LEB)
逐周期峰值电流比较
内置HVDD欠压保护、HVDD过压保护及HVDD电压嵌位等功能
封装形式:SOP8
三.应用范围
LED照明驱动
手机/无绳电话、PADS、数码相机、 MP3 等产品的充电器,适配器
小功率电源适配器
电脑、电视等产品的辅助电源或 待机电源
四.技术规格书(产品PDF)
需要详细的PDF规格书请扫一扫微信联系我们,还可以获得免费样品以及技术支持!
五.产品封装图
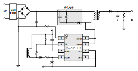
六.电路原理图
七.相关芯片选择指南 更多同类产品.......
原边反馈系列 | |||||||
IC Name | PStandby | Topology | BVDSS | POUT.MAX | HV_MOSFET | Frequency | Package |
CXAC85110 | <50mW | PSR | 730V | 6W | - | Inside | DIP8-7 SOP8-7 |
CXAC85111P | <100mW | PSR | 730V | 5W | 63KHz | Inside | SOP8 |
CXAC85112P | <100mW | PSR | 730V | 7W | 63KHz | Inside | SOP8 |
CXAC85113P | <100mW | PSR | - | 5W | 63KHz | External | SOP8 |
CXAC85114 | <300mW | PSR | 650V | 7W | 55KHz | BJTInside | HDIP4 SOP8 |
CXAC85115 | <300mW | PSR | - | 12W | 63KHz | External | SOP8 SOT23-6 |
◀ 上一篇:CXAC85110六级能效原边反馈700V高压工艺的高性能小功率CC/CV开关电源驱动芯片自适应峰值调节技术输出线损进行补偿弥补输出电压在输出线上的压降损耗内置抖频技术提高系统EMI性能
下一篇▶:CXAC85112P宽电压 85Vac~265Vac 输入离线式小功率AC/DC开关电源的高性能原边反馈控制功率开关芯片实现高精度恒压恒流输出高压功率开关逐周期峰值电流限制
热门信息 |
---|
最新信息 |
---|
推荐信息 |
---|