|
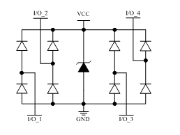
Each CXPR16U05ABC device can protect four high-speed data lines. The combined features of low capacitance, small size and high ESD robustness make CXPR16U05ABC ideal for high-speed data ports and high | |||||||||||||||||||||||||||||||||||||||||||||||||
|
目录产品概述 返回TOP CXPR16U05ABC uses small SOT23-6L package. Each CXPR16U05ABC device can protect four high-speed data lines. The combined features of low capacitance, small size and high ESD robustness make CXPR16U05ABC ideal for high-speed data ports and high-frequency lines (e.g., HDMI & DVI) applications. The low clamping voltage of the CXPR16U05ABC guarantees a minimum stress on the protected IC.CXPR16U05ABC is a low capacitance Transient Voltage Suppressor (TVS) designed to provide electrostatic discharge (ESD) protection for high-speed data interfaces. With typical capacitance of 0.7pF only, CXPR16U05ABC is designed to protect parasitic-sensitive systems against over-voltage and over-current transient events. It complies with IEC 61000-4-2(ESD) (±20kV air, ±20kV contact discharge), IEC 61000-4-5 (Surge) (3A, 8/20μs), etc.产品特点 返回TOP Transient protection for high-speed data lines IEC 61000-4-2(ESD) ±20kV (Air) ±20kV (Contact) IEC 61000-4-5 (Surge) 3A (8/20μs) For 5V and below operating voltage Small package (2.9mm*2.8mm*1.4mm) Protects four data lines Low capacitance: 0.7pF Typical (I/O-GND) Low leakage current: 0.1μA @ VRWM (Typical) Low clamping voltage Each I/O pin can withstand over 1000 ESD strikes for ±8kV contact discharge Green Part 应用范围 返回TOP Video Graphics Cards Desktops, Servers and Notebooks IEEE 1394 Ports USB2.0 Power and Data Line Protection Display Ports SIM Ports 技术规格书(产品PDF) 返回TOP 需要详细的PDF规格书请扫一扫微信联系我们,还可以获得免费样品以及技术支持! | |||||||||||||||||||||||||||||||||||||||||||||||||
ESD | ||||||||||
Part Number | Port Type | Channels | Direction | Vrwm (V) | Cj(pF) | ESD(kV) | Ipp (A) | Vc@1A (V) | Ppk (W) | Package |
DC IN | 1 | Uni | 12 | 150 | 30 | 15 | 16 | 350 | SOD323 | |
DC IN | 1 | Uni | 5 | 350 | 30 | 25 | 9 | 350 | SOD323 | |
RJ4
发表评论
| ||||||||||
| 最新信息 |
|---|
| (1.)CXLE86296D 五通道高 ... (2.)CXLE86295D 五通道高 ... (3.)CXLE86294E PWM调光LE ... (4.)CXLE86293EI 线性恒流 ... (5.)CXLE86292CI 五通道I2 ... (6.)CXLE86291C 三通道PWM ... (7.)CXLE83205X PWM调光LE ... (8.)CXLE83204XS高精度PWM ... (9.)CXLE83203F:高功率DIP7 ... (10.)CXLE83202F:高精度PWM ... |






